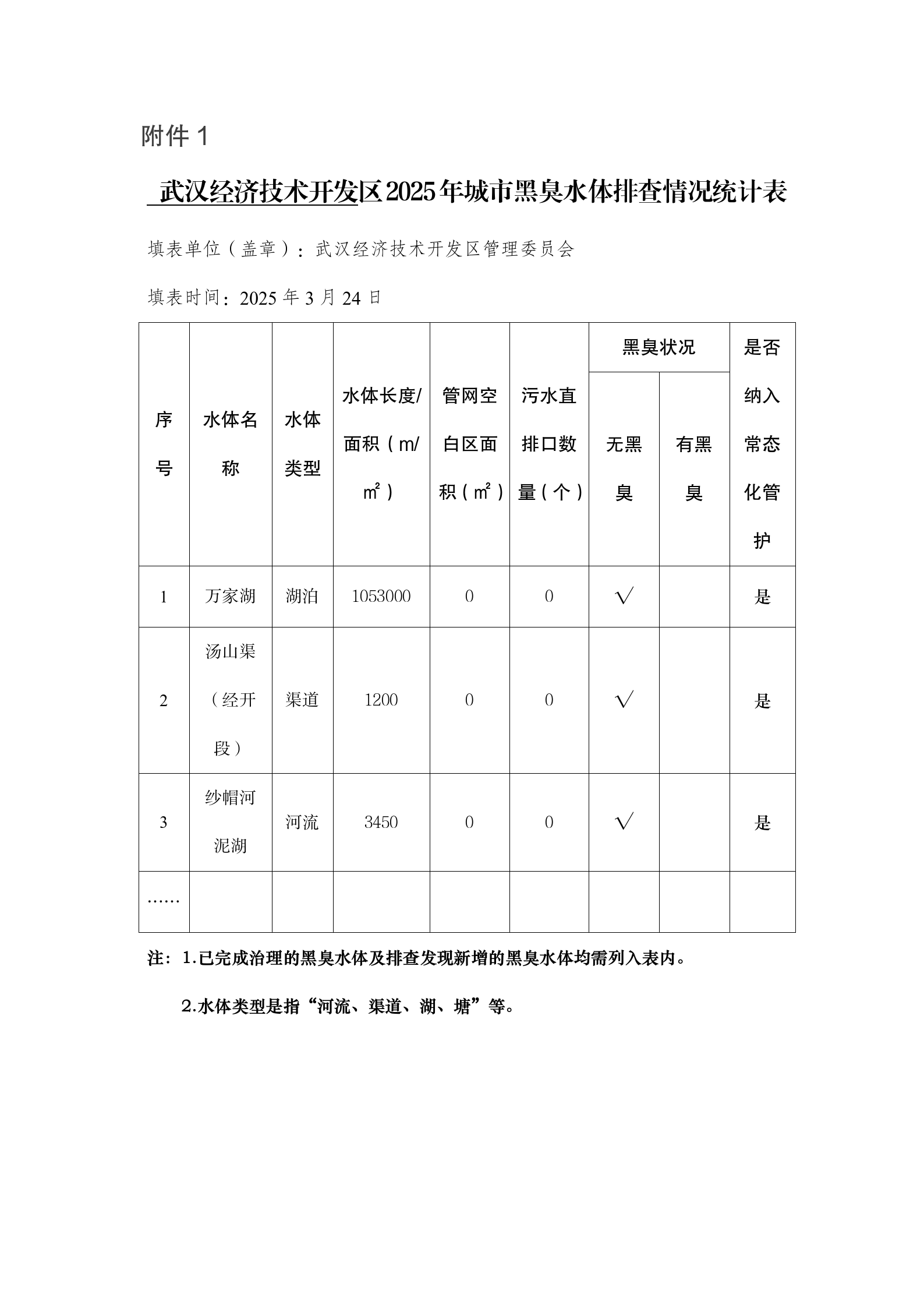
2025年第一季度,我区组织开展黑臭水体排查工作。经排查,未发现新增黑臭水体,原黑臭水体万家湖、汤山渠(经开段)、纱帽河和泥湖河明渠经治理后已实现长制久清,均无返黑返臭现象。
现将以上黑臭水体排查结果予以公示,公示时间为2025年3月24日至31日。如有异议,请在公示期内联系经开区水务和湖泊局,反映情况务必实事求是,客观公正,以便调查核实。联系电话027-84399632。

主办单位:中共武汉经济技术开发区工委(汉南区委)党政办公室
承办单位:武汉经济技术开发区(汉南区)城市运行管理中心
备案证编号:鄂ICP备2022016438号-1©1997- 版权所有
鄂公网安备 42011302000122号 网站标识码:4201130014